全国服务热线





名称/型号: FZG系列方形静态真空干燥机
适用行业:食品,化工,制药等
材质:304不锈钢
规格尺寸:可定制
交货周期:咨询客服
售后质保:一年保修,终身维护
177-0150-5837
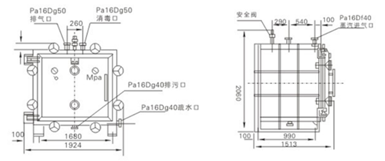
真空干燥是将被干燥物料处于真空条件下进行加热干燥。它利用真空泵进行抽气抽湿,使工作室处于真空状态,物料的干燥速率大大加快,同时也节省了能源。真空干燥设备分为静态干燥和动态干燥机。YZG圆筒型、FZG方形真空干燥机属于静态式真空干燥器,SZG双锥回转真空干燥机属于动态干燥机。
适用于在高温下易分解,聚合和变质的热敏性物料的低温干燥;被广泛地采用在制药、化工、食品、电子等行业。
● 真空下物料溶液的沸点降低.使蒸发器的传热推动力增大.因此对定量的传热量可以节省蒸发器的传热面积。
● 蒸发操作的热源可采用低压蒸汽或废热蒸汽。
● 蒸发器热损失少。
● 在干燥前可进行消毒处理,干燥过程中无任何不纯物污入,符合GMP要求。
● 属于静态式真空干燥器.故干燥物料的形体不会损坏。








